
地 址:上海市金山区兴塔工业区
咨询电话:021-57362601
图文传真:021-33250343
电子邮箱:hanyuev@126.com
网 址:http://m.maiby.cn
气动减压阀是气体压力调节元件,将供给压力减压至预先设定的出口压力,且流量或负载发生变化时,通过自身的调节作用,改变节流口面积及压力损失,使作用在阀芯上的出口压力和弹簧力平衡,自动保持出口压力稳定,车载高压气动减压阀,其输出是预先调定的,故也称为定值输出减压阀。
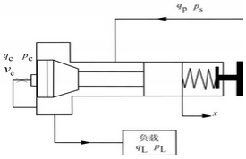
气动减压阀的结构有多种形式,如球型、锥型和座阀型等。由于锥型阀的密封性能好,泄漏量小,还可自动补偿阀口处的磨损,满足长时间工作的密封要求,轴向尺寸小,容易实现小型化和集成化。图1所示为某车载锥型气体减压阀结构示意图。

图1锥型气动减压阀结构示意图
该阀为直动式定值输出减压阀,处于??刺?,主要由阀芯、阀套、弹簧和阀体等部件组成,阀体和阀芯构成压力控制腔Vc。减压阀在几何结构上具有设定阀芯最大位移的限位器,决定了阀芯处于初始位置时的最大开口量。气体减压阀在初始位置时,在弹簧作用下锥阀阀芯和阀体相接触,阀口是打开的,且处于最大开口量位置。出口压力pL达到设定压力pC0之前,减压阀保持最大开口量,通过压力控制腔内的气体充填和压缩来增加出口压力,直至减压阀出口压力达到pc0。在负载压力pL的作用下,控制腔压力pc和负载压力pL相等,控制压力作用于锥阀阀芯断面的有效面积上的力和弹簧预压缩力平衡。当压力控制腔的压力pc0超过弹簧设定压力时,作用在阀芯有效面积上的气体压力大于弹簧力,阀芯将开始向右移动,通过作用在阀芯上的气体控制压力和弹簧力的平衡实现出口压力控制。
当负载流量qL减小或者气源压力ps上升时,出口压力pL上升,控制腔压力pc也随之上升,且压力变化值作用在阀芯的有效面积上,阀芯向右移动,阀口关小,从而使减压阀控制腔压力基本维持在设定值附近。与此相反,当负载流量增加或者气源压力下降时,出口压力下降,控制腔压力随之下降,导致阀芯向左移动,阀口开大,同样使减压阀控制腔压力基本维持在设定值附近。减压阀在流量波动或压力波动时,能较好地维持出口压力基本稳定。
网站首页